DC900直流调速器安装使用以及应用之工作原理!

DC900系列直流电机调速器控制回路基本配置
DC900直流调速器基本原理
电动机在启动阶段,电动机的实际转速(速度反馈)低于用户的给定速度,速度调节器(速度误差放大器)的输入端存在一个偏差信号,经放大后输出的电压 保持为限幅值,速度调节器工作在开环状态,速度调节器的输出电压作为电流给定值送入电流调节器(电流误差信号放大器), 此时则以最大电流给定值使电流 调节器输出移相信号,直流电压迅速上升,电流也随即增大直到等于最大给定值, 电动机以最大电流恒流加速启动。电动机的最大电流(堵转电流)可以通过整定 速度调节器的输出限幅值来改变。在电动机转速上升到给定转速后, 速度调节器输入端的偏差信号减小到近于零,速度调节器和电流调节器退出饱和状态,闭环 调节开始起作用。对负载引起的转速波动,速度调节器输入端产生的偏差信号将随时通过速度调节器、电流调节器来修正触发器的移相电压,使整流桥输出的 直流电压相应变化,从而校正和补偿电动机的转速偏差。
双闭环直流驱动器系统静态特性分析

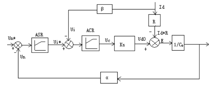
根据图对双闭环直流驱动系统进行静态特性分析
分析静特性的关键是掌握PI调节器的稳态特征,一般存在两种状况:饱和—输出达到限幅值,不饱和—输出未达到限幅值。当调节器饱和时,输出为恒 定值,输入量的变化不再影响输出,除非有反向的输入信号使调节器退出饱和,换句话说,饱和的调节器暂时隔断了输入和输出的联系,相当于使该调节器 开环,当调节器不饱和时,PI的作用使输入偏差电压Δ U在稳态时总为零。 实际上,在正常运行时,电流调节器是不会达到饱和状态的。因此,对于静态特性来说,只有转速调节器饱和与不饱和两种情况。
1)转速调节器(ASR)不饱和 这时,两个调节器都不饱和,稳态时,它们的输入偏差电压都是零,因此, Un Un n n0 (2-1) Ui Ui I d (2-2) 由第一个关系式可得: n0 n n U (2-3) 从而得到图3所示静态特性曲线的CA段。与此同时,由于ASR不饱和,Ui Ui m 可知 I d I d m ,这就是说,CA段特性从理想空载状态的 I d =0一直 延续到 I d m I d 。一般都是大于额定电流Idn的。这就是静特性的运行段,它是一条水平的特性。
2)转速调节器(ASR)饱和 这时,ASR输出达到限幅值Uim*,转速外环呈开环状态,转速的变化对系统不再产生影响。双闭环系统变成了一个电流无静差的单电流闭环调节系 统。稳态时: d m i m d I I U (2-4) 其中,最大电流 I dm 取决于电动机的容许过载能力和拖动系统允许的最大加速度,由上式可得静态特性的AB段,它是一条垂直的特性。这样的特性只 适合于 n n0 的情况,如果 n n0 ,则Un Un ,ASR将退出饱和状态。 双闭环调速系统的静特性在负载电流小于Idm*时表现为转速无静差,这时,转速负反馈起主要的调节作用,但负载电流达到Idm时,对应于转速调节器的饱 和输出Uim*,这时,电流调节器起主要调节作用,系统表现为电流无静差,得到过电流的自动保护.这就是采用了两个PI调节器分别形成内、外两个闭环的效果。 然而,实际上运算放大器的开环放大系数并不是无穷大,因此,静特性的两段实际上都略有很小的静差,见图3中虚线。

简体中文
English
全国服务热线